欢迎您进入岳阳科德科技有限责任公司

主营产品ABOUT US

您所在的位置: 网站首页 > 主营产品

资讯热线:

18073013310

邮箱:yingzhenkeji@126.com

电话:18073013310

地址: 岳阳市经济开发区桐子岭路196号

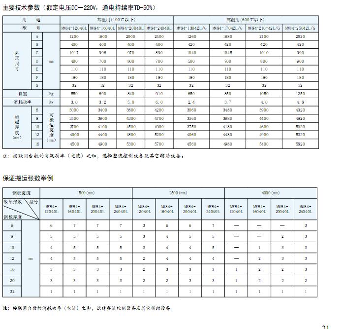
MW84系列(400型)

发布时间:2018-11-30 00:00:00

特点:适用于钢铁企业的厚板厂,钢板库及码头 装卸作业,一次可搬运数张钢板。

Copyright © 2002-2017 岳阳科德科技有限责任公司

客服热线: 0730-8729888 传真:

湘ICP备08003518号-1 | 营业执照 | 技术支持: 新网技术 | 网站统计