1.功能
JY系列液压马达式电缆卷筒是我厂为湿喷机自行开发设计而成的,具有自主专利产权的产品。它是以液压马达为驱动源从而自动收放电缆,通过集电环为湿喷机作业提供电力供应的设备。具有结构简单、操作安全、可靠等优点。
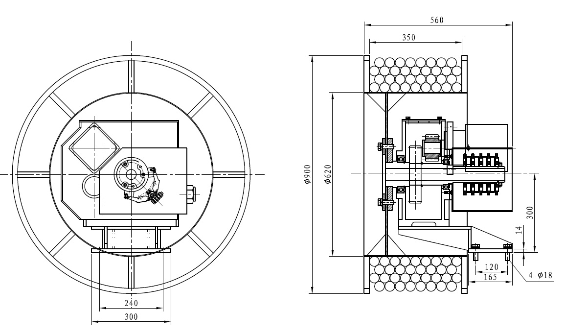
2.结构特点
2.1 采用模块化布局设计,整机分为卷筒部分,回转支撑部分,液压马达组件部分,集电环部分,底座部分;
2.2 整机结构紧凑,大大减少了安放空间要求;
2.3 集电环作为一个单独的整体内置于卷筒内部,通过特别设计使其分别与卷筒和底座连接,实现相对转动;
2.4 分别在筒体内部及底座上设置有接线端子,用户可以直接将电缆接入接线端子固定。
3.基本工作原理和使用条件
3.1 基本工作原理
3.1.1 释放电缆
①主动放缆方式:启动电缆卷筒使卷筒往放缆方向旋转,人为将电缆拉至接线处接好电缆。
②被动放缆方式:先接好电缆,然后车往前开至指定位置,电缆被动拉出。
3.1.2 卷取电缆
启动电缆卷筒使之往卷电缆方向旋转从而将电缆收取,可人为辅助排缆。
3.2 使用条件
电缆卷筒正常工作温度为-20℃~45℃,当环境温度低于-20℃,电缆卷筒不工作时,需对所有管路进行保温,以防止液压原件冻裂,电缆卷筒工作时,甲方先对其通电预热15分钟以上,确保油路畅通后再进行操作。
