1. 用途
JS系列手动式电缆卷筒,是以手动方式卷取电缆的机械装置。广泛适用于需要移动供电的各种场合,如发电车、湿喷台车、凿岩台车、起重机械、液压抓斗等需手动收放电缆的设备。
2.使用条件
2.1 环境温度范围:-30℃~45℃;
2.2 工作制:连续;
2.3 户内、户外均可使用;
2.4 额定输电电压:直流(DC)250V,交流(AC)400V;
2.5 周围介质无爆炸危险,不含腐蚀金属和破坏绝缘的气体及尘埃。
3.安装与使用
3.1 请先清点随机技术文件,并认真阅读相关技术资料,检查核对产品铭牌参数是否符合使用要求;
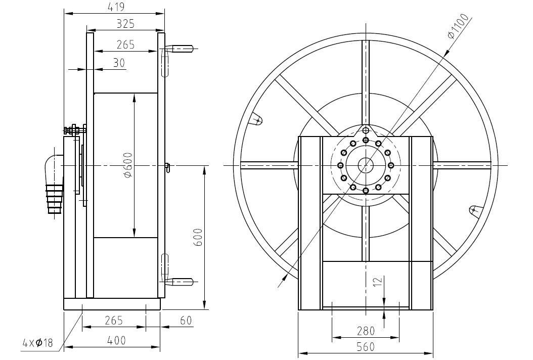
3.2 将卷筒吊装在需要安装的位置,校平,调正,固定好底座螺栓;
3.3 拧下卷筒盖板螺栓,取下盖板,检查集电环接触是否良好;
3.4 取下筒体橡胶皮套,用卡尺量好需要缠绕电缆直径,将皮套剪到合适大小,将电缆做好接线端子,通过皮套穿入筒体,接入到碳刷上的固定螺杆上;
3.5 取下安装支座90°弯橡胶皮套,同样将皮套剪到与电缆直径相符合的大小,将电缆做好接线端子,通过轴孔穿入到筒体内,接入到滑环上;
3.6 检查各紧固件是否有松动,碳刷接触是否完好,检查完,盖上盖板,将固定盖板螺栓打上密封胶,固定盖板;
3.7 为了提高产品质量,用户在使用过程中发现问题,或有新的要求和建议,请及时向我公司反映,以便及时维修和改进。

